BPTSW080高精密伺服转角减速机

BPTSW系列采用高精度螺旋伞齿轮【镍铬合金钢材质】,高效率、高刚性【双锥形轴承支撑】,体积小。

BPTSW系列特别适合对于输出端负载变化大的应用工况,多样化的输出轴型式,满足不用应用场合。

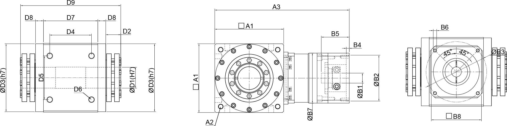
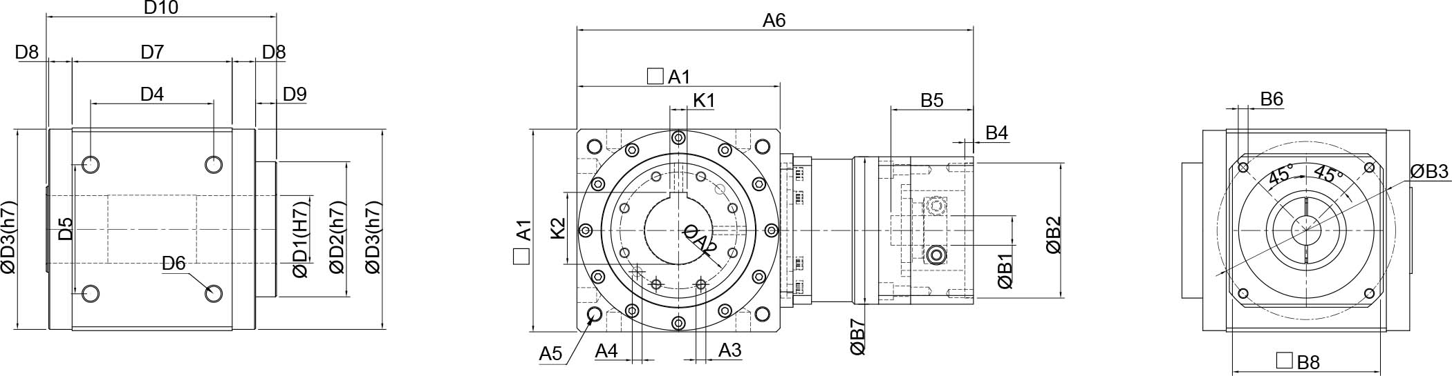
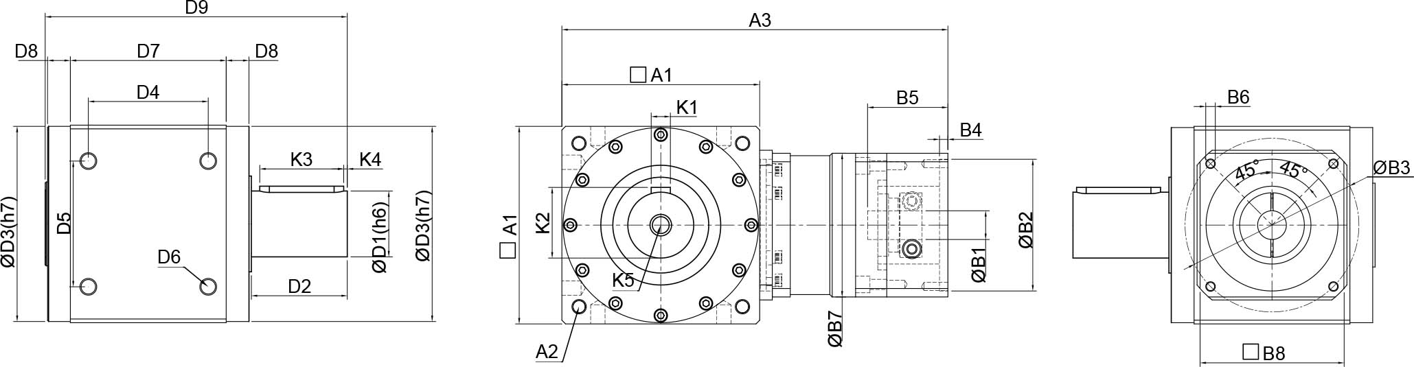
结构尺寸

45 70 80 110 135 165 200 250
可选输出方式

您是否想了解更多?

如需要了解更多CAD数据或3D模型,请直接与我们BUPERMANN联系:

  • 技术参数
  • 转动惯量
  • 安装尺寸图
  • 图纸下载
  • 获取报价
技术参数段数减速比BPTSW045BPTSW070BPTSW080BPTSW110BPTSW135BPTSW165BPTSW200BPTSW250
额定输出扭矩(Nm)L169.53078.523035075015002150
8,10,129.53078.523035075015002150
14,16,189.53078.523035075015002150
15,20,25,30,
       35,40,50
9.524.549.01232084908002150
L224,30,100,160,180,
       200,210
//70.017035075015002150
32,36,40,50//78.523035075015002150
56,60,70,80//78.523035075015002150
48,120,140//78.523035075015002150
45,75,84,105,125,
       150,175,250
//49.01232084908002150
最大加速转距(Nm)L1,L26-2501.5倍额定输出转矩
瞬间输出转距(Nm)L1,L26-2503倍额定输出转矩
输入转数(rpm)L1,L26-25030003000300030003000300020002000
最大输入转数(rpm)L1,L26-25045004500450030003000300020002000
标准背隙P2(arcmin)L16-50≤10≤6≤6≤6≤6≤6≤6≤6
L224-250≤10≤9≤9≤9≤9≤9≤9≤9
精密背隙P1(arcmin)L16-50≤8≤5≤5≤5≤5≤5≤5≤5
L224-250≤8≤8≤8≤8≤8≤8≤8≤8
精密背隙P0(arcmin)L16-50/≤3≤3≤3≤3≤3≤3≤3
L224-250/≤6≤6≤6≤6≤6≤6≤6
容许径向力(N)L1,L26-25011002800390055009800165002410045000
容许轴向力(N)L1,L26-2506502800390055009800165002410045000
工作寿命(hr)L16-50>20000
效率(%)L16-5090%
L1,L26-25085%
重量(kg)L16-501.83.55.511.021.036.555.3175.0
L1,L26-250/5.06.013.024.541.065.5205.0
使用温度(°C)L1,L26-250-10°C ~ +70°C
噪音值(dB)L1,L26-250≤62≤68≤68≤70≤72≤73≤76≤76
技术参数单位减速比BPTSW045BPTSW070BPTSW080BPTSW110BPTSW135BPTSW165BPTSW200BPTSW250
转动惯量kg.cm26,150.0420.560.563.926.2814.8333.2133.21
8,10,120.032/0.473.755.6411.8529.2529.25
14,16,18,200.0270.430.433.705.1210.2525.1625.16
25,30,35,40,50/0.40.43.655.069.6624.0224.02
24,30,75//0.563.926.2814.8333.2133.21
32,40,50,60,175//0.473.755.6411.8529.2529.25
56,70,80,100,125,250//0.433.705.1210.2525.1625.16
120,140,160,180,200//0.43.655.069.6624.0224.02
  • BPTSW-DL.png

    BPTSW-2P

  • BPTSW-P.png

    BPTSW-P

  • BPTSW-cr.png

    BPTSW-CR

  • BPTSW-HP.png

    BPTSW-HP

  • BPTSW-2HP.png

    BPTSW-2HP

  • BPTSW-HPK.png

    BPTSW-HPK

  • BPTSW-2HPK.png

    BPTSW-2HPK

  • BPTSW-RF.png

    BPTSW-RF

  • BPTSW-RFK.png

    BPTSW-RFK

BPTSW080-CR-010-P2-SV(19-70-90-M6).pdf

大小: 211KB 类型:pdf

语言:CN

您的需求类型*

您的应用

您的需求的产品 *

姓名*

电话 *

电子邮箱 *

你的需求 *

行业应用

更多可用的伺服转角减速机

BPT系列伺服转向器

高扭矩低背隙长寿命隔为一体的多输出轴减速机

  • 减速比

    1-5

  • 额定扭矩

    12-3200 Nm

  • 回程间隙

    6 arcmin

  • 输入转数

    1700-7500 rpm

  • 径向力

    900-18000 N

结构尺寸

BPTF系列法兰输入型伺服转向器

一款结构非常紧凑且高性价比伺服转向器,减速比1-500,高扭矩和高精度

  • 减速比

    1-500

  • 额定扭矩

    12-3200 Nm

  • 回程间隙

    6-10 arcmin

  • 输入转数

    1700-8000 rpm

  • 径向力

    900-18000 N

结构尺寸

BPTA系列伺服转向器

一款高精密型且大径向力的带输入轴伺服转向器,可定制四向出轴

  • 减速比

    1

  • 额定扭矩

    20-900 Nm

  • 回程间隙

    10 arcmin

  • 输入转数

    1000-2000 rpm

  • 径向力

    1100-19500 N

结构尺寸

BPTS系列高精密伺服转向器

一款高精度且双锥形轴承支撑的轴输入转向器,精度≤5arcmin

  • 减速比

    2-5

  • 额定扭矩

    9.5-1200 Nm

  • 回程间隙

    6 arcmin

  • 输入转数

    1000-2000 rpm

  • 径向力

    1100-24100 N

结构尺寸

BPTAW系列直角行星减速器

拥有高效率、高刚性和多输出型式为一体,减速比1-250,精度3~10弧分

  • 减速比

    3-100

  • 额定扭矩

    13-1200 Nm

  • 回程间隙

    3-10 arcmin

  • 输入转数

    2000-3000 rpm

  • 径向力

    1100-19500 N

结构尺寸

BPTSM系列高精密伺服直角减速机

此款高精密伺服转向器,法兰输入,减速比1~10,背隙≤4 arcmin

  • 减速比

    2-10

  • 额定扭矩

    9.5-2150 Nm

  • 回程间隙

    4-6 arcmin

  • 输入转数

    2000 rpm

  • 径向力

    1100-45000 N

结构尺寸

快速联系我们

您有任何关于自动化配件与自动化系统解决方案的疑问,联系:400-886-9228 邮件:sales@bupermann.com

*请认真填写需求信息,我们会在24小时内与您取得联系。

联系表

我们会尽快给您答复。

联系表

联系我们

服务需求

400-886-9228

工作日8:30-17:30

给我们发电子邮件

服务需求

sales@bupermann.com

巴普曼工业科技(广东)有限公司

  • 广东省东莞市东城区莞长路东城段49号东科科技产业园1栋

  • +86 (0769) 2288 5382

  • +86 (0769) 2202 3909

  • sales@bupermann.com

© 2017 Bupermann Industrial Technology (GuangDong) Co., Ltd. 版权所有 巴普曼工业科技(广东)有限公司 法律申明 站点地图 粤ICP备17077810号