BPTAW070伺服直角行星减速机

BPTAW系列直角行星减速器,拥有高强度,高效率,高刚性,多种输出轴类型,体积小

BPTAW系列减速比范围:1~100

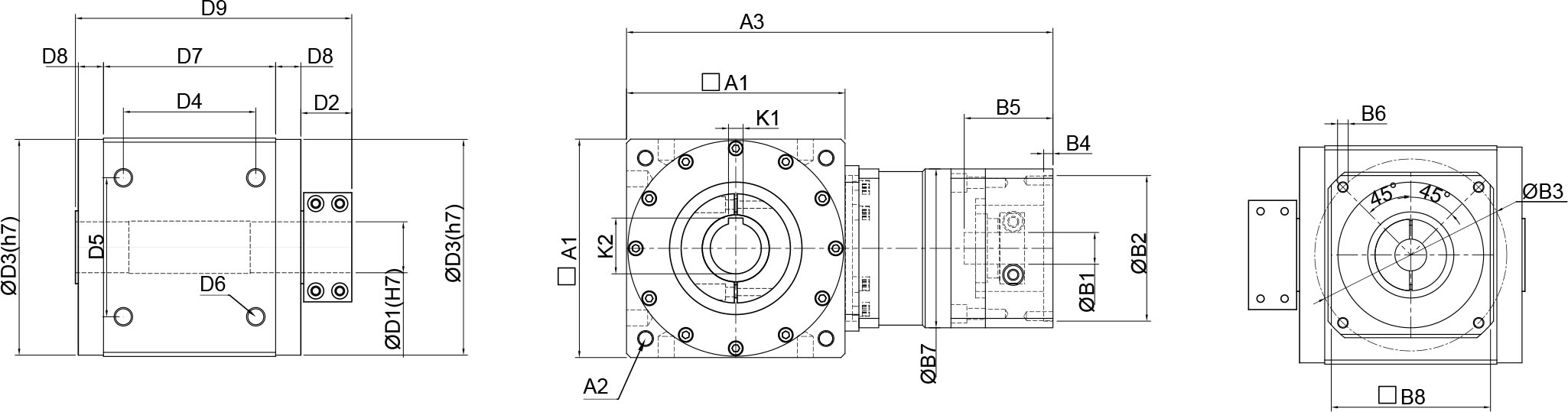
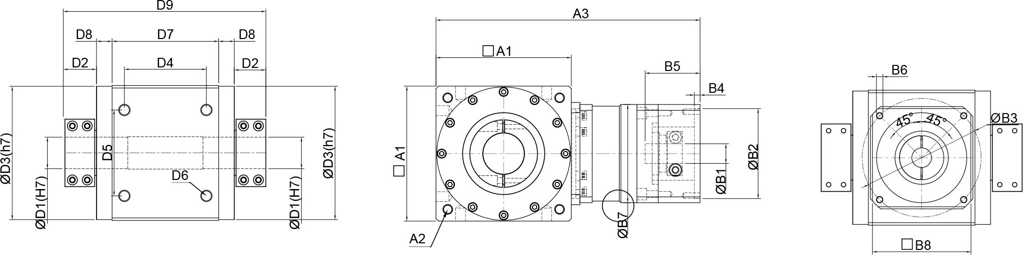
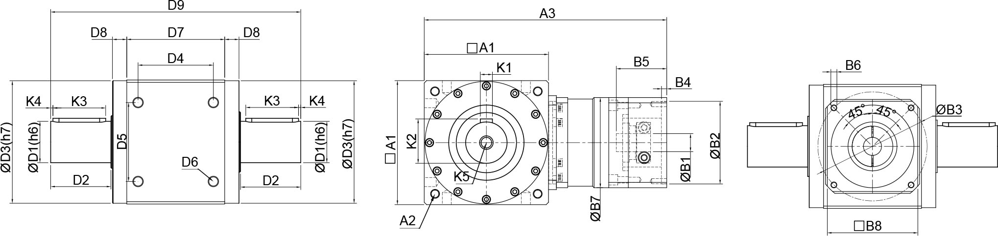
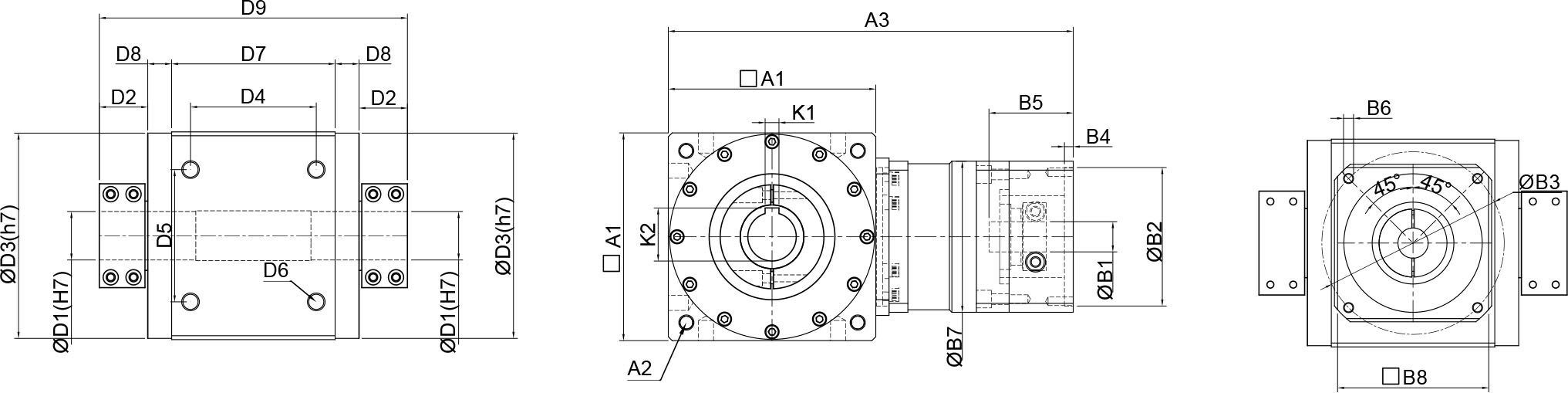
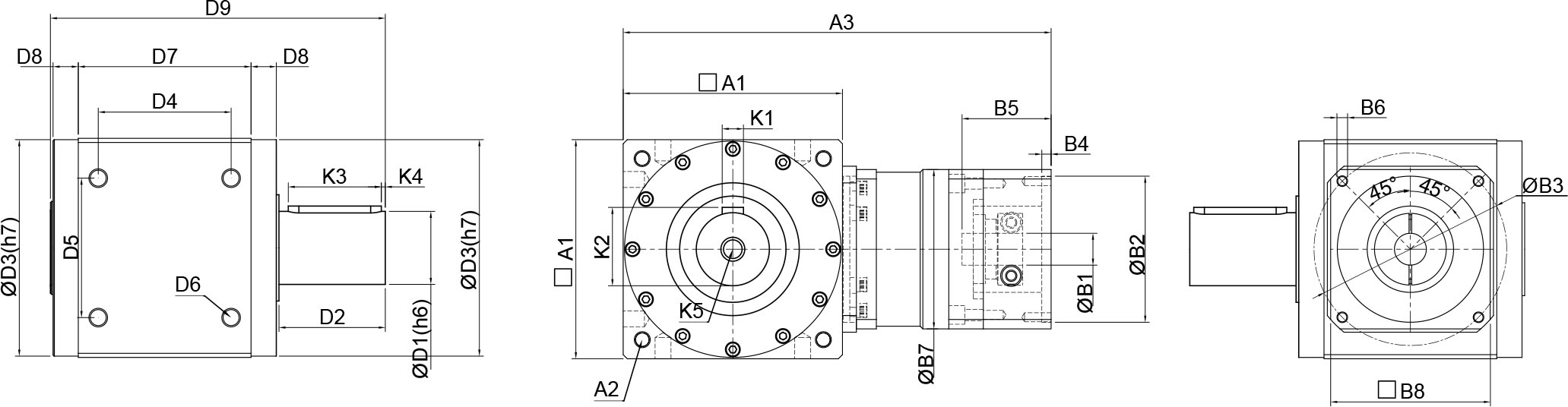
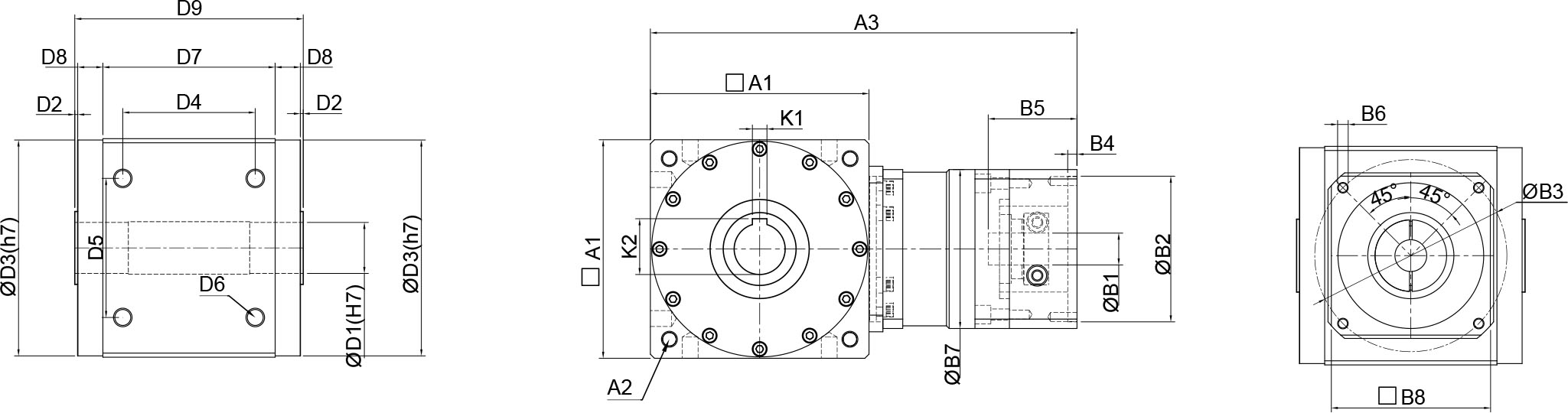
结构尺寸

45 70 85 105 125 150 180

您是否想了解更多?

如需要了解更多CAD数据或3D模型,请直接与我们BUPERMANN联系:

  • 技术参数
  • 转动惯量
  • 安装尺寸图
  • 获取报价
技术参数段数减速比BPTAW045BPTAW070BPTAW085BPTAW105BPTAW125BPTAW150BPTAW180
额定输出扭矩(Nm)L13, 101330351603306501200
4, 52035501603306501200
6///1402805501100
71335351402805001100
8///115230450/
9////230400/
L212,15,40,50, 60, 70
       80, 90, 100
133535115230400900
16, 20, 252035501603306501200
28, 30,35, 491335421402805001100
最大加速转距(Nm)L1,L23-1001.5倍额定输出转矩
瞬间输出转距(Nm)L1,L23-1003倍额定输出转矩
输入转数(rpm)L1,L23-1003000300030003000300020002000
标准背隙P2(arcmin)L13-10≤10≤10≤10≤10≤10≤10≤10
L212-100≤15≤15≤15≤15≤15≤15≤15
标准背隙P1(arcmin)L13-10≤8≤5≤5≤5≤5≤5≤5
L212-100≤10≤8≤8≤8≤8≤8≤8
标准背隙P0(arcmin)L13-10/≤3≤3≤3≤3≤3≤3
L212-100/≤5≤5≤5≤5≤5≤5
输出轴容许径向力(N)L1,L23-100110032503250585091001430019500
输出轴容许轴向力(N)L1,L23-100650162516252925455071509750
工作寿命(Hr)L1,L23-100>20000
满载时有效率(%)L1,L23-10085-90
使用温度(°C)L1,L23-100-10°C ~ +90°C
重量(Kg)L1,L23-1001.5-1.83.2-4.03.2-4.010.5-11.217.0-19.531.0-35.556.5-63.5
噪音值(dB)L1,L23-100≤63≤68≤68≤70≤72≤73≤75
技术参数单位减速比BPTAW045BPTAW070BPTAW085BPTAW105BPTAW125BPTAW150BPTAW180
转动惯量kg.cm230.0420.690.694.526.3513.1538.96
4, 5, 60.0320.560.563.825.2812.6237.68
7, 80.0280.450.453.754.9812.0637.24
9, 100.0270.440.443.724.8711.8836.65
12,15,16,20, 25, 300.0320.560.563.825.2812.6212.62
28, 35, 490.0280.450.453.754.9812.0612.06
40, 50, 60,70, 80, 90, 1000.0270.440.443.724.8711.8811.88
  • BPTAW-2P

  • BPTAW-P

  • BPTAW-CR

  • BPTAW-C

  • BPTAW-2C

  • BPTAW-CK

  • BPTAW-2CK

您的需求类型*

您的应用

您的需求的产品 *

姓名*

电话 *

电子邮箱 *

你的需求 *

行业应用

更多可用的伺服转角减速机

BPT系列伺服转向器

高扭矩低背隙长寿命隔为一体的多输出轴减速机

  • 减速比

    1-5

  • 额定扭矩

    12-3200 Nm

  • 回程间隙

    6 arcmin

  • 输入转数

    1700-7500 rpm

  • 径向力

    900-18000 N

结构尺寸

BPTF系列法兰输入型伺服转向器

一款结构非常紧凑且高性价比伺服转向器,减速比1-500,高扭矩和高精度

  • 减速比

    1-500

  • 额定扭矩

    12-3200 Nm

  • 回程间隙

    6-10 arcmin

  • 输入转数

    1700-8000 rpm

  • 径向力

    900-18000 N

结构尺寸

BPTA系列伺服转向器

一款高精密型且大径向力的带输入轴伺服转向器,可定制四向出轴

  • 减速比

    1

  • 额定扭矩

    20-900 Nm

  • 回程间隙

    10 arcmin

  • 输入转数

    1000-2000 rpm

  • 径向力

    1100-19500 N

结构尺寸

BPTS系列高精密伺服转向器

一款高精度且双锥形轴承支撑的轴输入转向器,精度≤5arcmin

  • 减速比

    2-5

  • 额定扭矩

    9.5-1200 Nm

  • 回程间隙

    6 arcmin

  • 输入转数

    1000-2000 rpm

  • 径向力

    1100-24100 N

结构尺寸

BPTSM系列高精密伺服直角减速机

此款高精密伺服转向器,法兰输入,减速比1~10,背隙≤4 arcmin

  • 减速比

    2-10

  • 额定扭矩

    9.5-2150 Nm

  • 回程间隙

    4-6 arcmin

  • 输入转数

    2000 rpm

  • 径向力

    1100-45000 N

结构尺寸

BPTSW系列高精密伺服直角减速器

一款高精度、高扭矩和多种输出型式为一体的直角减速器,减速比6-250,精度≤3弧分

  • 减速比

    6-300

  • 额定扭矩

    9.5-2150 Nm

  • 回程间隙

    3-10 arcmin

  • 输入转数

    2000-4500 rpm

  • 径向力

    1100-45000 N

结构尺寸

快速联系我们

您有任何关于自动化配件与自动化系统解决方案的疑问,联系:400-886-9228 邮件:sales@bupermann.com

*请认真填写需求信息,我们会在24小时内与您取得联系。

联系表

我们会尽快给您答复。

联系表

联系我们

服务需求

400-886-9228

工作日8:30-17:30

给我们发电子邮件

服务需求

sales@bupermann.com

巴普曼工业科技(广东)有限公司

  • 广东省东莞市东城区莞长路东城段49号东科科技产业园1栋

  • +86 (0769) 2288 5382

  • +86 (0769) 2202 3909

  • sales@bupermann.com

© 2017 Bupermann Industrial Technology (GuangDong) Co., Ltd. 版权所有 巴普曼工业科技(广东)有限公司 法律申明 站点地图 粤ICP备17077810号