BPT075轴输入伺服转向减速机

BPT系列轴输入伺服转向器,采用高强力渗碳螺旋伞齿,拥有高扭矩输出、高精度、多种安装和输出型式。

BPT系列减速比范围:1~5

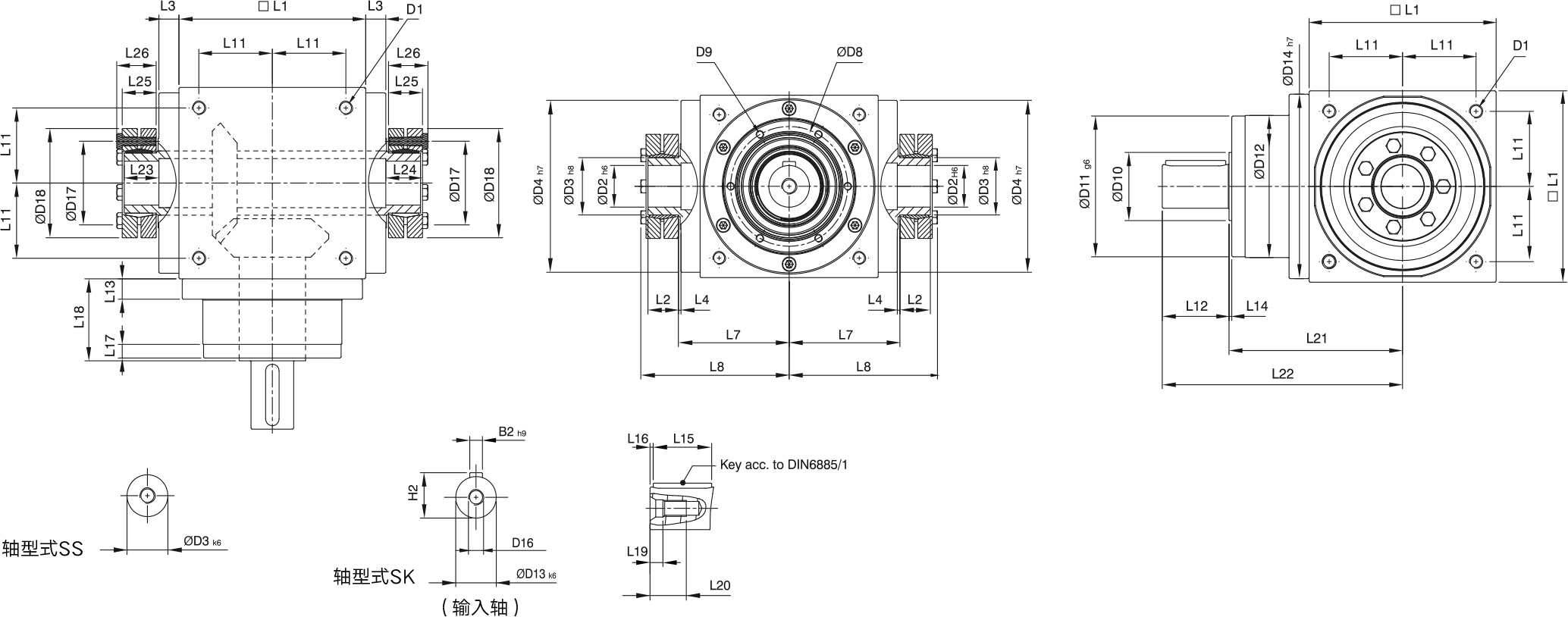
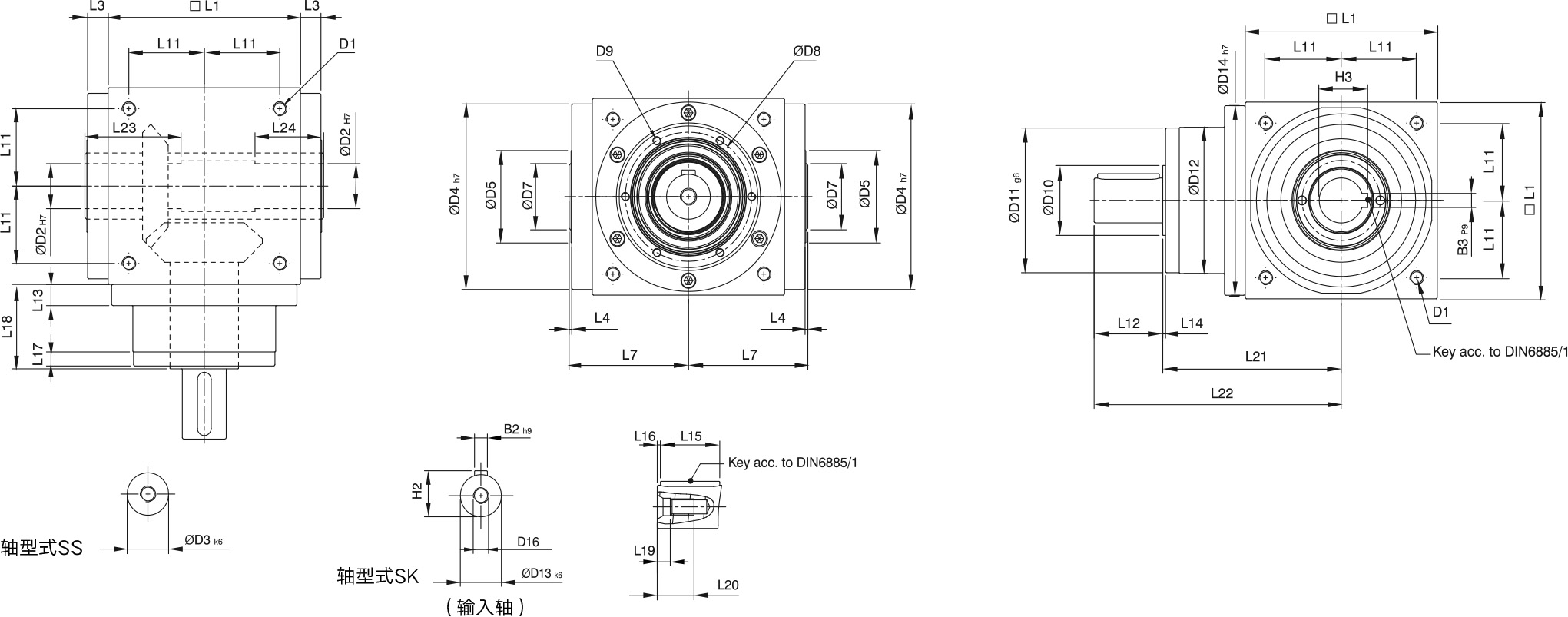
结构尺寸

65 75 90 110 140 170 210 240 280

您是否想了解更多?

如需要了解更多CAD数据或3D模型,请直接与我们BUPERMANN联系:

  • 技术参数
  • 转动惯量
  • 安装尺寸图
  • 获取报价
技术参数减速比BPT065BPT075BPT090BPT110BPT140BPT170BPT210BPT240BPT280
额定输出扭矩(Nm)1254578150360585130021503200
1.5254578150360585150021503200
2244268150330544122020103050
3183354120270450102016502850
413284810022437686014102300
51225408519632074012102000
最大加速转距(Nm)1-51.5倍额定输出转矩
最大加速输入转数(rpm)1-5750065005500450035003000220020001700
背隙(arcmin)1-5≤6≤6≤6≤6≤6≤6≤6≤6≤6
输入轴容许径向力(N)1-570095014502100270038007800960010500
输出轴容许径向力(N)1-590011001700270048006600115001600018000
输入轴容许轴向力(N)1-5350425725105013501900390048005250
输出轴容许轴向力(N)1-5450550850135024003300575085009000
工作寿命(hr)1-5>20000
效率(%)1-598%
使用温度(°C)1-5-10°C ~ +90°C
噪音值(dB)1-5≤68≤70≤74≤76≤77≤78≤80≤82≤83
技术参数单位减速比BPT065BPT075BPT090BPT110BPT140BPT170BPT210BPT240BPT280
转动惯量kg.cm210.511.303.167.7023.5758.99195.40369.34799.12
1.50.641.162.826.7419.3749.28155.45283.58595.78
20.441.112.706.3117.7545.35140.24249.74511.76
30.431.092.666.1717.1844.01134.95237.71483.06
40.431.092.656.1317.0643.70133.58234.72476.26
50.431.092.656.1217.0243.60133.14233.67473.58
  • BPT-DL

  • BPT-L/R

  • BPT-H

  • BPT-C

  • BPT-LM/RM

  • BPT-4M

您的需求类型*

您的应用

您的需求的产品 *

姓名*

电话 *

电子邮箱 *

你的需求 *

行业应用

更多可用的伺服转角减速机

BPTF系列法兰输入型伺服转向器

一款结构非常紧凑且高性价比伺服转向器,减速比1-500,高扭矩和高精度

  • 减速比

    1-500

  • 额定扭矩

    12-3200 Nm

  • 回程间隙

    6-10 arcmin

  • 输入转数

    1700-8000 rpm

  • 径向力

    900-18000 N

结构尺寸

BPTA系列伺服转向器

一款高精密型且大径向力的带输入轴伺服转向器,可定制四向出轴

  • 减速比

    1

  • 额定扭矩

    20-900 Nm

  • 回程间隙

    10 arcmin

  • 输入转数

    1000-2000 rpm

  • 径向力

    1100-19500 N

结构尺寸

BPTS系列高精密伺服转向器

一款高精度且双锥形轴承支撑的轴输入转向器,精度≤5arcmin

  • 减速比

    2-5

  • 额定扭矩

    9.5-1200 Nm

  • 回程间隙

    6 arcmin

  • 输入转数

    1000-2000 rpm

  • 径向力

    1100-24100 N

结构尺寸

BPTAW系列直角行星减速器

拥有高效率、高刚性和多输出型式为一体,减速比1-250,精度3~10弧分

  • 减速比

    3-100

  • 额定扭矩

    13-1200 Nm

  • 回程间隙

    3-10 arcmin

  • 输入转数

    2000-3000 rpm

  • 径向力

    1100-19500 N

结构尺寸

BPTSM系列高精密伺服直角减速机

此款高精密伺服转向器,法兰输入,减速比1~10,背隙≤4 arcmin

  • 减速比

    2-10

  • 额定扭矩

    9.5-2150 Nm

  • 回程间隙

    4-6 arcmin

  • 输入转数

    2000 rpm

  • 径向力

    1100-45000 N

结构尺寸

BPTSW系列高精密伺服直角减速器

一款高精度、高扭矩和多种输出型式为一体的直角减速器,减速比6-250,精度≤3弧分

  • 减速比

    6-300

  • 额定扭矩

    9.5-2150 Nm

  • 回程间隙

    3-10 arcmin

  • 输入转数

    2000-4500 rpm

  • 径向力

    1100-45000 N

结构尺寸

快速联系我们

您有任何关于自动化配件与自动化系统解决方案的疑问,联系:400-886-9228 邮件:sales@bupermann.com

*请认真填写需求信息,我们会在24小时内与您取得联系。

联系表

我们会尽快给您答复。

联系表

联系我们

服务需求

400-886-9228

工作日8:30-17:30

给我们发电子邮件

服务需求

sales@bupermann.com

巴普曼工业科技(广东)有限公司

  • 广东省东莞市东城区莞长路东城段49号东科科技产业园1栋

  • +86 (0769) 2288 5382

  • +86 (0769) 2202 3909

  • sales@bupermann.com

© 2017 Bupermann Industrial Technology (GuangDong) Co., Ltd. 版权所有 巴普曼工业科技(广东)有限公司 法律申明 站点地图 粤ICP备17077810号